Designing & Commissioning Variable Flow Hydronic Systems
article by Gil Avery, PE
This article reprinted with permission from ASHRAE JOURNAL July 1993, used with permission
Direct return Variable Flow Hydronic Systems (VFHS) must be designed to be self-balancing. However, in practice many design engineers will use customary pipe sizing routines, piping detail drawings, and specifications that apply to more familiar constant flow systems. Substituting a 2-way valve in place of a 3-way valve and bypass pipe, while retaining the balancing valve and balancing specification ultimately creates control problems and energy waste. The use of balancing valves on VFHS is detrimental to the performance of the system because it reduces the authority of the control valve and adds a permanent restriction in every branch (References 1 & 2). This restriction increases the pumping costs for the life of the building.

Specifications for VFHS must stress the importance of the valve actuator and the need for high quality valve bodies to withstand the additional dynamic forces and static pressures that are present in these systems. The working pressures for VFHS are always higher than for equivalent constant flow hydronic systems (CFHS). On many VFHS the use of conventional HVAC control valves may not be suitable. This article addresses these problems and the important role the balancing contractor has in testing/commissioning these systems.
In order for a VFHS to be self-balancing, the sensor controlling the coil valve must always be in control of the flow. This is generally the condition when the supply air thermostat controls the coil valve on a variable air volume air handling unit.
If the valve controller is a room thermostat, then it should be locked at design temperature. If the setpoint can be adjusted by the public so that the coil valve stays open, then the system is no longer self balancing.
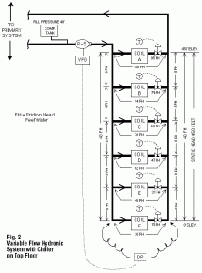
The VFHS shown in Fig. 1 & 2 are identical except for the chiller room locations. In Fig. 1, the chiller room is located on the bottom floor (equipment elevation 0 ft) and in Fig. 2 it is located on the top floor (equipment elevation 450 ft). Fig. 3 shows the pressure drops across the components in a typical branch at design flow conditions.
Unless otherwise noted, all heads shown in Fig. 1, 2, & 3 are dynamic friction losses (drop) when all coil valves are handling design flows. The following parameters also apply to these figures:
- The coil valves are sized for a 15 ft drop.
- The branch drop is 30 ft when the valves are wide open.
- The differential pressure controller “DP” will maintain 30 ft across the ends of the supply and return mains by operating the variable speed drive on pump P-5.
- The supply and return mains are sized for an 8 ft drop between adjacent branches.
- The chiller loop (all equipment above cross-over points “A” & “B” in Fig. 1) supplies chilled water to the secondary loop (all equipment below cross-over points “A” & “B”).
- The design head for pump P-5 is 110 ft at maximum speed.
- The air handling units are located at equipment elevations 90 ft apart.
- The static hydronic head is 450 ft.

The drop across branch “F” in Fig. 1 and in Fig. 2 is 30 ft and the drop across the coil valves handling design gpm is 15 ft. The valves will be 100% open and the valve plugs will lift 100% when handling design flow.
The drop across Branch “B” through “E” will vary between 46 and 94 ft depending on their distance from pump P-5. The maximum plug lifts will be greater than 80%, but less than 100% when handling design flows.
The drop across Branch “A” in Fig. 1 and Fig. 2 is 110 ft and the drop across the coil valves handling design gpm is 95 ft. The valve plug lifts approximately 80%, and will not lift more than this except on start up or at other times when the coil-load exceeds design.
On start-up, all control valves will be wide open and pump P-5 will be handling more than design flow. A check valve in the cross-over between points “A” & “B” will prevent mixing return water with supply water, since coil pump P-5 may be handling more water on start-up than the total design flows of the chiller loop pumps. In this mode, the coil pump P-5 will be in series with the chiller loop pumps.
The cool-down time will be reduced because the chillers and coils will operate at slightly higher than design flows; therefore, the building will actually cool down faster than one with a constant flow system or a variable flow system that has been manually balanced. The cross-over pipe and check valve can be sized to handle the flow of the largest chiller, since flow sensor FS-1 will determine the number of chiller pumps to operate. At no time would less pumps operate than the secondary system demands. For this reason, the cross-over does not have to be sized for total system flow.
In buildings with multiple risers, it may be necessary to have a differential pressure control for each pair of risers so as to adjust the pump speed to satisfy the branch with the greatest load.
Buildings with coil valves controlled by a DDC system can further reduce the water transport energy by resetting the differential pressure sensor from the valve operating with the greatest plug lift.
Valve sizing
The pressure difference across the 2-way modulating control valve on VFHS can vary from the differential pressure when the fully-opened valve is handling design flow, up to the highest differential pressure when the valve is closed and the pump is operating at maximum speed. Because of the wide range in pressure differentials, valve sizing on VFHS is extremely important. The valve should be selected so that the pressure drop across the valve is at least half the drop in the coil branch as shown in Fig. 3. The valve will not have enough authority to modulate properly if less drop is taken across the control valve than across the other components in the branch. Valve drops greater than this are a plus for controlability since the valve has more authority, but a minus as far as pump energy is concerned. A valve sized for half the drop of the branch is a conservative compromise.
Valve actuator sizing
The wide variable pressure differentials across the branches dictate the use of large valve actuators that can close tightly and can precisely position the valve plugs. Actuators sized to close against at least 1 1/2 times the pump head will insure good valve plug positioning and will also minimize any spring range shift caused by high differential pressures across the valve. The spring range shift on pneumatic valves with small actuators can be so severe that both the heating and cooling valves can be partially open. For example, many four-pipe chilled-hot water systems have heating valve operators with 3 to 8 lb springs and cooling valve operators with 8 to 13 lb springs. If, because of high valve pressure differentials and undersized actuators, the spring range is shifted to 5 to 10 lb on the heating valve, then simultaneous heating and cooling can occur.

The control valves in Figs. 1 & 2 should have actuators sized to close against 165 ft (pumphead x 1.5). Valve manufacturers often question why a valve that is selected for a drop of 15 ft needs an actuator that will close against 165 ft.
Valve body static Rating
Commercial HVAC valve bodies are generally rated @ 250 psig, which is satisfactory for most installations. The valve bodies on VFHS must withstand not only the static hydronic head, plus the imposed expansion tank pressure, but they must also withstand these pressures plus the full pump head when the valve is closed. All valves, pipes, and fittings on VFHS should be selected for operation with the pump at full speed,so as to withstand the maximum pump head when the pump drive or differential pressure sensor fails, and the pump is operated on the backup full speed starter. The maximum head when the pump is operating in the backup mode may be 10 to 15% higher than the design head. The head will increase as the flow decreases and the pump head rides up the pump curve.
The valve body design pressure for VFHS is equal to the reserve compression tank pressure, plus static, plus pump head at cut off.
The valve body design pressure for CFHS is equal to the reserve compression tank pressure, plus static, plus pump head at duty point, minus friction drop.
In Fig. 1, the piping below coil B must be rated for design pressures over 250 psi. These design pressures would be required whether the system was designed for variable flow with 2-way valves or for a manually balanced CFHS with 3-way valves.
In Fig. 2, piping designed for pressures greater than 250 psi is required for piping below coil “E” in the VFHS, but piping with working pressure of less than 250 psi could be used throughout on the equivalent CFHS.
Valve body dynamic rating
The dynamic body rating is defined as “the maximum flow differential pressure (psid) that the wetted parts are designed for.” This is a “gray” area with the valve manufacturers and there do not appear to be any standards for the HVAC industry to follow. The typical valve selection charts may be confusing since they list close-off ratings much higher than dynamic ratings. For example, one manufacturer shows a 2″ valve with a close off rating of 55 psid but the footnotes limit the dynamic rating to 25 psid for “modulating applications.” Another manufacturer shows a dynamic rating of 35 psid in the “wide open” position and yet lists a close off rating of 160 psid with a 50 square inch pneumatic actuator. The use of valve bodies with dynamic ratings too low for the application can be a real disaster because the valve seats deteriorate.
The dynamic body differential pressure rating for any valve on a VFHS should be at least 1.5 times the design pump head. On large installations, it may be necessary to use industrial valves to meet this standard. The dynamic valve rating for those in Figs. 1 & 2 should not be less than 165 ft (71.4 psid). The 50% safety factor should provide enough reserve rating to handle the higher pressure differentials when the pump is operated in the full speed mode.
Valve flow characteristics
Valves for VFHS must have ports and plugs that are characterized so that the coil output (heating or cooling) is approximately a linear function of the valve stroke. Valves with equal percentage ports most nearly meet this requirement and are a standard product with most manufacturers. They should be used exclusively on VFHS.
Pressure rise ratio
VFHS are designed to be self-balancing, and the balancing is done by the last segment of the plug lift. This segment is not usable to modulate the flow of water to the coil under design operating conditions. It is therefore desirable to minimize this loss in lift as much as possible so as to utilize more of the valve lift for flow modulation. This can be accomplished by minimizing the drop in the mains and all components in the branches except the control valve.
The vertical axis in Fig. 4 is “percent plug lift” and the horizontal axis is the “pressure rise ratio.” The pressure rise ratio (PRR) is the ratio of duty point pump head to valve pressure drop at design flow, with the valve wide open. The ratio for the system in Fig. 1 & 2 is 110 ft (pump head) divided by 15 ft (specified valve drop), or a PRR of 7.3. The curve in Fig. 4 shows that the maximum lift is 80% when the branch differential pressure is 110 ft with design flow through the valve. The last 20% of the plug lift is used to balance the system.
The curve can be used to determine the maximum lift for any equal percentage 2-way valve that has a design flow drop equal to one half of the total branch drop.
Fig. 4 shows that the equal percentage valve is a forgiving valve in that increasing the pressure rise ratio has a relatively small effect on the maximum plug lift. Valves are only available in a limited number of sizes, and therefore most valves selected by the control contractor are oversized. This increases the installed PRR on most branches. Designing the VFHS so that this ratio is less than 10 will generally insure that the decrease in effective plug lift does not increase the gain in the control circuit so much that the control loop is unstable.
On large systems with long mains, it may be necessary to add tertiary pumping zones in order to avoid the high pump heads and thus high pressure rise ratios that would be required of a single pump that had to handle the pressure drop of the long main plus the drop in the risers and branches.

Testing/Commissioning the VFHS
When constant flow hydronic systems are balanced, the balancing contractor generally starts with all branch control and balancing valves wide open. When testing the VFHS, the reverse procedure should be used.
- Close coil valves except the one on the critical branch that appears to have the highest pressure drop. This valve is left wide open.
- Adjust the differential pressure controller so the pump delivers design flow through this branch.
- Then close the coil valve on this branch and run the pump at full speed to be sure that there is no flow in the branch and that the actuator closes the valve tightly against the maximum pump head.
- Check every other branch in the same manner to ensure that the drop on the remaining branches is less than the apparent critical branch and that all valves close tightly.
- If another branch has a higher pressure drop, then reset the differential pressure controller upwards to satisfy this branch.
When testing the drop in the branches, all readings can be taken at the remote coil branch where the differential pressure sensor is located. There is no flow and therefore no drop in the mains between the sensor and the branch under test. It is not necessary to move the differential pressure test gage to the branch being tested since the differential pressure will read the same across the branch as it reads across the sensor, as long as all other branch valves are closed.
If the building has an operational DDC system, all branch flows and all valves can be tested at the DDC console if the testing procedure outlined above is followed. The branch differential pressures can all be read across sensor “DP” and the branch flows can all be read through flow sensor “FS-1” in Fig.1. This procedure can also be done annually, as part of the maintenance program, to detect any valves that have deteriorated and may not be closing tight.
The flow sensor should be of industrial quality, preferably one with no moving parts and with an accuracy of at least 1% of flow. When using the flow sensor for testing a valve for leakage it must be capable of reading very low flows as well as accurately sense total system design flow.
The testing/commissioning procedure is critical and should be a part of the check-out of every VFHS. A common procedure is to neglect checking the drop through each branch. The technician may just lower the differential pressure setting until one branch is starved. This method is not recommended because there is no way of detecting a blockage or if a component in one of the branches has an unusually high or low pressure drop.
Very often, valves are furnished with the same pipe connections but different internal port sizes (different Cv). Testing each branch of the VFHS will reveal if all valves are installed in the right branches. If a branch is found with an excessively high or low pressure drop, it may be an indication that the wrong valve was used. For example, in Fig. 1 all branches are shown with a 30 ft pressure drop. If there were a restriction in Branch “D” so that the pressure drop across this branch was actually 60 ft instead of 30 ft, the differential pressure controller would have to be set for 60 ft just to satisfy this branch. The water transport energy would double for THE LIFE OF THE BUILDING if this problem were not corrected. The pressure drop through every branch on a VFHS should be checked by the balancing contractor and, if any branch is found to have an unusually high or low drop, it should be documented and corrected so that the VFHS can perform at peak efficiency.
Summary
- Use valves with equal percentage ports.
- Size all branches for approximately the same pressure drop.
- Size all valves so that the pressure drop through the open valve at design flow is equal to or greater than the drop in the rest of the branch.
- Select all valve actuators to close off against a differential pressure at least 1 1/2 times the design pump head.
- Select valve bodies that have a dynamic differential pressure rating at least 1 1/2 times the design pump head.
- Minimize the pressure drop in the mains and branch piping. Take as much drop across the control valve as practical.
- Keep the pressure rise ratio below 10.
- Select valve bodies with static ratings greater than the static hydronic head, plus the compression tank reserve pressure, plus the pump cut off head, at maximum pump speed.
References:
- Hansen, E.G. 1985. Hydronic System Design and Operation. New York: McGraw-Hill.
- Avery, G. 1990. “Balancing a variable flow water system will ruin the control system.”ASHRAE Journal. Vol. 32, No. 10, October, p. 30.
- Honeywell, Inc. 1992. Tradeline Catalog. Minneapolis, Minnesota: Honeywell, Inc.
- Barber Colman Co. 1992. Controline Catalog. 6th ed. Rockford, Illinois: Barber Colman Co.