Balancing A Variable Flow Water System Will Ruin the Control System
Reprint from the ASHRAE Journal October 1990
by Gil Avery, P.E
Many seminars and technical sessions have been held to outline procedures for balancing variable flow water systems. Most of these sessions recommend “Proportional Balance.” When this technique is used, all control valves are set wide open and the circulating pump is operated at maximum speed. If the pump is not sized for the sum of total coil loads, then each coil balancing valve is adjusted for proportional flow. For example, if the pump will handle 80% of the total coil load, then each coil would be balanced for 80% of the specified coil G.P.M.
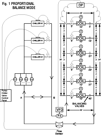
The system shown in Fig. 1 and 2 is not intended to depict a typical variable flow system, but rather to show that, under certain flow conditions, the control system cannot maintain the proper flow when the system has been proportionally balanced. The following illustrates how this condition can occur, and outlines steps that the design engineer can use to avoid this problem.
The specifications for the variable flow system in Fig. 1 and 2 are as follows:
- All six coils are the same size.
- The coil valves are sized for a 5′ W.G. drop.
- The coil and branch piping drop is 10′ W.G.
- The balancing valve pressure drop when wide open is 5′ W.G.
- The differential pressure sensor “DP” will maintain 20′ W.G. across the ends of the supply and return mains by operating the pump variable speed drive.
- The mains are sized for a 4′ drop between adjacent coil branch supplies and a 4′ drop between adjacent coil branch returns.
- Pump P-5 is large enough to handle the design G.P.M.when all control valves are wide open.
- The primary chilled water system, (all equipment above cross-over points “A” and “B”) supplies chilled water to the secondary system (all equipment below cross-over points “A” and “B”)
When the system is “Proportionally Balanced,” the balancing technician will:
- Disable the differential pressure sensor “DP” and operate the pump at maximum speed.
- Fully open all coil modulating valves.
- Proportionally balance the manual balancing valve on coil 6 for a 45′ drop so that the flow through this coil meets the flow specified. The coil drop is 10′ as shown in Fig. 1.
- Proportionally balance the other 5 coils 1 through 5 as shown in Fig. 1.

Fig. 2 shows what can happen after the balancing is complete and the controls are placed in operation. If there is no load on coils 1 through 5 and these coil valves are closed, then there is no drop in the supply and return mains between coils 1 and 6. The maximum head available for the coil 6 circuit is only 20′ W.G. and maximum flow through coil 6 is now only 58% of design-not enough to handle the load. The only time that coils 2 – 6 can operate at 100% capacity is when all coil valves are handling design flow.

MYTH: The coil modulating valve will control better if some of the drop can be taken across the balancing valve.
FACT: The coil modulating valve will always control better if the balancing valve is not used and the drop across the control valve is increased by the drop that would be allocated to the balancing valve. The control valve will then be smaller and the rangeability and close-off rating will be greater.
MYTH: The control valve can close against higher pressure drops if balancing valves take some of the drop.
FACT: The balancing valve has nothing to do with the close-off rating of the 2-way modulating valve. The balancing valve only takes a drop when there is flow. When the modulating valve is seating or unseating, all the drop is across this valve. None of the drop is across the balancing valve.
MYTH: The modulating control valves will be quieter if balancing valves are used.
FACT: The balancing valves have no bearing on control valve noise. Control valves are the noisiest when they are seating or unseating, that is, when the pressure drop across the control valve is greatest, be- cause there is no drop across the balancing valve or any of the other components in the branch circuit.
MYTH: The coils will not get their design flow if balancing valves are not used.
FACT: If the control valves are sized properly and the actuators are large enough to position the valve plugs properly, the system is self-balancing. Each coil will receive only enough flow to satisfy the load.
MYTH: The coils nearest the pump will “rob” flow to the other coils when the system is first started.
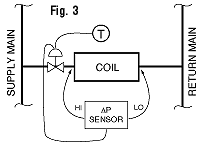
FACT: On startup, there may be a brief flow unbalance but this lasts only until the thermostat takes over and repositions the coil valve. When the flow unbalance occurs, the excess flow through the coil should bring the valve under thermostat control very quickly.As an option, a high limit differential pressure sensor can be connected across each coil to limit the flow through the control valve to the design G.P.M. (as shown in Fig. 3). This sensor could be field adjusted for the design differential, or it could be set at the factory to avoid having to make field adjustments.

MYTH: The valves nearest the pump will not modulate because much of the valve stroke will be lost in balancing the flow.
FACT: If properly selected valves (those with equal percentage ports and with the correct actuators) are used, 20% or less of the stroke will be used to balance the flow. The rest of the stroke will still be available to modulate the flow within the design limits.
MYTH: The system in Figs. 1 and 2 is not representative of those encountered in the field. Most systems do not have such extreme pressure changes between coils. Therefore, the effect on the control system is not so adverse.
FACT: If the pressure changes between coils are less, the demands on the control valves will be less, which further diminishes the temptation to use any type of balancing or flow limiting devices. If Figs. 1 and 2 showed 21 coils with a 1′ drop between adjacent coil supply and return branches, the problem would remain the same. The sketches were not intended to represent a typical system, but to demonstrate the adverse affect which balancing valves can have on the control
system.
Trouble-shooting a variable flow system that has been proportionally balanced can be a real nightmare. Honest complaints about low flows (not enough heating and cooling) at coils nearest the pump may be legitimate, but by the time the service technician arrives, the low flow problem may no longer exist. Other coil valves may have repositioned so that all coil flows are satisfactory.
Because of the wide swings in the differential pressure between the supply and return mains that are inherent in direct return variable flow systems, the selection of the coil modulating valve is of prime importance. This valve must be the dominant restriction in the flow circuit. Selecting valves for pressure drops of 15 feet or more is not uncommon. The supply and return mains, the coils, branch run outs, etc. should be sized for minimum pressure drop. All service valves should be gate, ball, butterfly or other full-ported, straight-through style.
Normally, flow controllers, balancing valves, circuit setting devices, etc., should not be used on variable flow systems.
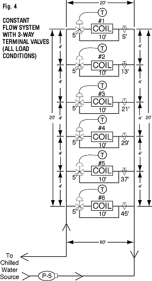
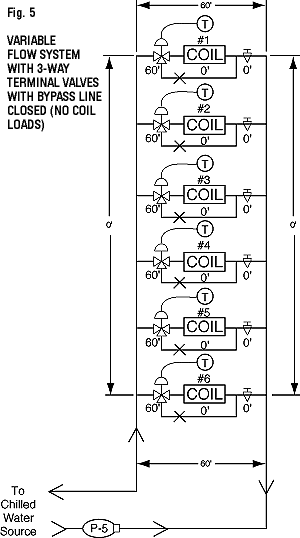
The same problems and more exist with constant flow systems that have been converted to variable flow. Fig. 4 shows a constant flow system with the same coil load as the variable flow system in Fig. 1. The system has been balanced for the same flows and the drop across all balancing valves and control valves is the same as in Fig. 1. The valve actuators, on the coil valves in Fig. 4, are sized to close against a 5′ drop. When the system is converted to variable flow, all of the drop between the supply and return mains is across the control valves, when the valves are seating. Now instead of closing against a 5′ drop the valves must close against 60′ as in Fig. 5.


Bypass valves, differential pressure sensors, or relief valves, etc. will do little to reduce the differential pressure so that the existing valve actuators can be used.
Most constant flow systems that have been converted to variable flow will not operate properly unless the valve actuators (and valves bodies, if necessary) are replaced and all balancing valves are opened fully.
